Ausgleichbogen
Beschreibung
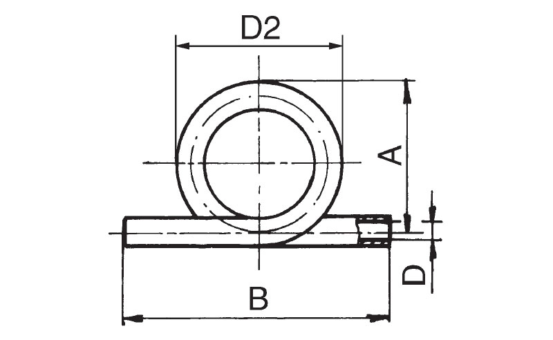
Er gleicht Längendifferenz der Leitung aus, die durch Temperaturänderung in Folge der Länge- und Wärmeausdehnung von PPR entsteht. Er vermeidet die Deformation und unerwünschte Spannung in der Röhrenverteilung.
Farben:
Produktparametern
![]() |
![]() |
![]() |
![]() |
![]() |
![]() |
![]() |
D, D1 | D2 | A | B | A2, C | |
|---|---|---|---|---|---|---|---|---|---|---|---|---|
| 16 | ks | 10 | 1 | 0,07 | 1,60 | 232016 | 16 | 188,00 | 180,00 | 290,00 | ||
| 20 | ks | 6 | 1 | 0,11 | 1,60 | 232020 | 20 | 210,00 | 200,00 | 300,00 | ||
| 25 | ks | 5 | 1 | 0,21 | 3,20 | 232025 | 25 | 217,50 | 217,50 | 370,00 | ||
| 32 | ks | 4 | 1 | 0,43 | 8,00 | 232032 | 32 | 231,00 | 231,00 | 400,00 | ||
| 40 | ks | 2 | 1 | 0,67 | 8,00 | 232040 | 40 | 295,00 | 295,00 | 420,00 |
Software für Architekten
Preisliste
Produktanfrage
Kontaktformular
Ergänzende Inhalte
Garantie für 15 Jahre? Selbstverständlich!
- Wie ist es möglich?
- Qualitätstechnologie
- Hohe Qualitätskontrolle










